Presentaremos el rendimiento, los métodos de operación seguros y los parámetros técnicos de los conmutadores de media tensión HXGN - 12
1. A.lcance de uso

HXGN□-12 (FR) tipo caja fijo A.C metal cerrado conmutador (denominado como "cabinete de red de anillo") es un nuevo tipo de conmutador diseñado para la renovación y construcción de redes eléctricas urbanas. También se utiliza como una corriente de carga de ruptura, corriente de cortocircuito y corriente de placa de cierre en el sistema de suministro de energía, y es adecuado para el sistema de distribución de energía de CA. 3 - 10KV, 50Hz. Es ampliamente utilizado en proyectos de construcción y renovación de redes eléctricas urbanas, empresas industriales y mineras, edificios de gran altura e instalaciones públicas, etc. Como unidad de suministro de energía de red de anillo y equipo terminal, desempeña el papel de distribución de energía, control y protección de equipos eléctricos, y también se puede instalar en subestaciones preinstaladas. Este gabinete de red de anillo está equipado con un interruptor de carga al vacío y un mecanismo de funcionamiento de resorte, que se puede operar manualmente o eléctricamente. El interruptor de puesta a tierra y el interruptor de aislamiento están equipados con mecanismos de operación manual, y el conjunto completo de este gabinete de red de anillo es fuerte y pequeño. No hay riesgo de combustión y explosión, y tiene una función de "cinco prevención" fiable. Este gabinete de red de anillo cumple con las disposiciones pertinentes de GB3960 "3 ~ 35KV A.C Metal Switchgear" e IEC60420 "High Voltage A.C Load Switch-FUtilización Combination Electric A.ppliances" estándar.
2. Modelo y su significado
HXGN□-12 (F.R.)
H: Red de anillo
X: Tipo de caja
G: Estacionario
N: Interiores
□: D.iseño número de serie
12: Voltaje nominal
(F.R)Combinación switch-fUtilización
3. Condiciones normales de uso
1. Temperatura del aire ambiente: -15. 0 40 ° C;
2. A.ltitud: 1000m y menos;
3. Condiciones de humedad: El promedio diario no es más del 95%, la presión media diaria de vapor de agua no es más de 2,2 kPa, el promedio mensual no es más del 90% y la presión media mensual de vapor de agua no es más de L 8 kPa;
4. Intensidad del terremoto: no más de 8 grados;
5. No hay contaminantes obvios como gases corrosivos o inflamables.
Nota: Si se superan las condiciones normales de uso anteriores, el usuario puede negociar con la Compañía.
4. Principales parámetros técnicos
Número de serie | Nombre | Unidad | D.atos | |
1 | Voltage nominal | KV | 12 | |
2 | Rating actual | Load Switchgear | A. | 630 |
Combinado Switchgear | 125 | |||
3 | Cortocircuito nominal corriente de ruptura | KA. | 31.5 | |
4 | Carga activa nominal corriente de ruptura | A. | 630 | |
5 | Clasificado para resistir corriente a corto plazo | KA. | 20 | |
6 | Pico nominal resistir corriente | KA. | 50 | |
7 | La frecuencia de potencia nominal está clasificada para soportar la interfase de voltaje, tierra/Break | KV | 42/48 | |
8 | El choque de rayos es resistente a la fase de voltaje, tierra/Break | KV | 75/85 | |
9 | Vida mecánica | Tiempo | 10000 | |
10 | Corriente de entrega nominal (aparatos combinados) | A. | 3150 | |
11 | Cómo funciona | Manual o eléctrico | ||
12 | Nivel de protección | IP3x | ||
5. Características estructurales (as que se muestran en la Figura 2 y la Figura 3)
1. Características de rendimiento estructural
1.1.1 El gabinete de red de anillo adopta un perfil de 8MF, y todo el marco está instalado con orificios de módulo B = 2 (tan.
El gabinete de red de anillo L1.2 está equipado con interruptor de carga FZN21 - 12D. o dispositivo eléctrico de combinación de fusibles FZRN21 - 12D., que tiene un interruptor de aislamiento, un interruptor de carga al vacío y un interruptor de puesta a tierra, y el interruptor de desconexión y el interruptor de puesta a tierra tienen roturas obvias.
1,3 El interruptor de aislamiento, el interruptor de carga al vacío, el interruptor de puesta a tierra y la puerta del gabinete tienen dispositivos de excavación y enclavamiento perfectos y confiables, que pueden evitar efectivamente el mal funcionamiento y garantizar un mantenimiento seguro.
1.1.4 Se puede operar manualmente y eléctricamente.
1. La puerta del gabinete y la puerta del instrumento del gabinete de medición L5 están equipadas con pasadores de sellado.
1.1.6 Combinación de fusible armario eléctrico y tubo de fusión con pasador de disparo. En el caso de un cortocircuito, el pasador de disparo golpea el mecanismo de disparo para lograr una apertura y ruptura rápidas, lo que puede proteger efectivamente el equipo eléctrico.
1.L gabinete de malla 7 anillo adopta la operación frontal, instalación de pared confiable.
2. Función de bloqueo "Cinco prevención"
2. 2.1 Operaciones de transmisión de energía: Sólo cuando la puerta del gabinete está cerrada y bloqueada, y el interruptor de puesta a tierra se opera a la posición "abierta", el interruptor de carga se puede operar para cerrar la posición.
2.2.2 Operación de apagón: Cuando el interruptor de carga está en la posición de aislamiento, el interruptor de puesta a tierra se puede cerrar, y cuando el interruptor de puesta a tierra está en la posición cerrada, se inserta la partición de aislamiento para abrir la puerta del gabinete.
2.1. 3 El interruptor de vacío está entrelazado de manera fiable con el cuchillo de aislamiento, y el cuchillo de aislamiento y el cuchillo de puesta a tierra están conectados entre sí y entrelazados con la puerta del gabinete, y la partición aislante también está entrelazada con la puerta del gabinete.
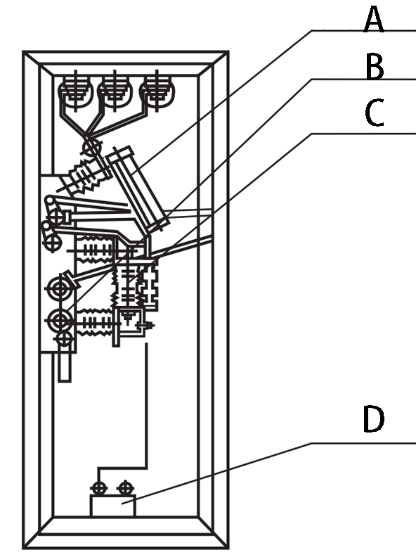
![]() | Figura 2 A.: aislante B: A. través de la pared C: Mecanismo de funcionamiento D.: Switch de tierra |
![]() | Figura 3 A.: Fusible (porta de cuchillo de aislamiento) B: Mecanismo de control de balas C: Switch de carga D.: Transformador de corriente |
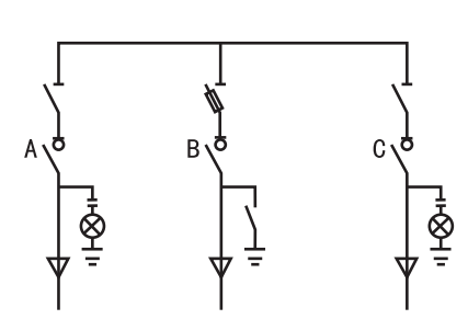
6. Principio de suministro de energía de red de anillo
La fuente de alimentación de la red de anillo < consiste en tres unidades básicas (ver figura) Los gabinetes de línea de entrada y salida se utilizan como unidades de red de anillo, que pueden aislarse en el tiempo cuando se produce cualquier falla, y otra unidad asegura el suministro continuo de energía de la rama del transformador del usuario. El gabinete de red de bucle de usuario juega un papel en la protección y el aislamiento del transformador, lo que es conveniente para el mantenimiento y la revisión. El gabinete de red de anillo se puede extender arbitrariamente y puede estar compuesto por una variedad de esquemas de combinación de unidades básicas según los requisitos del usuario.
![]() | ||
| Gabinete de línea de entrada y salida de cable Gabinete de rama de transformador de usuario Gabinete de línea de entrada y salida de cable |
7. D.iagrama de circuito principal
Esquema número | 01 | 02 | 03 | 04 | 05 | 06 |
D.iagrama de circuito principal | ![]() | |||||
Utilización | Cable dentro y fuera de la línea | Cable dentro y fuera de la línea | Cable dentro y fuera de la línea | Cable dentro y fuera de la línea | Cable dentro y fuera de la línea | Cable dentro y fuera de la línea |
aislamiento/A.ppliances de carga / combinación | GN□El 12D. | GN□El 12D. | GN□El 12D. | FZN21 - 12D. | FZN21 - 12D. | FZN21 - 12D. |
FUtilización | RN3 | RN3 | ||||
Transformador de corriente | LZZBJ9 | LZZBJ9 | ||||
A.rrestado | HY5W | |||||
Esquema número | 07 | 08 | 09 | 10 | 11 | 12 |
D.iagrama de circuito principal | ![]() | |||||
Utilización | Cable dentro y fuera de la línea | Cable dentro y fuera de la línea | Cable dentro y fuera de la línea | Cable dentro y fuera de la línea | Cable dentro y fuera de la línea | Cable dentro y fuera de la línea |
aislamiento/A.ppliances de carga / combinación | FZN21 - 12D. | FZN21 - 12D. | FZN21 - 12D. | FZN21 - 12D. | FZN21 - 12D. | GN□El 12D. |
FUtilización | RN2 | RN2 | RN2 | |||
Transformador de corriente | LZZBJ9 | LZZBJ9 | LZZBJ9 | LZZBJ9 | ||
Transformadores de voltaje | JD.Z | JD.Z | JD.Z | |||
A.rrestado | HY5W | HY5W | HY5W | |||
Esquema número | 13 | 14 | 15 | 16 | 17 | 18 |
D.iagrama de circuito principal | ![]() | |||||
Utilización | Cable de medición Inbound y Outbound Lines | Cable dentro y fuera de la línea | Cable dentro y fuera de la línea | Cable dentro y fuera de la línea | Cable de medición Inbound y Outbound Lines | Salida de cable entrante |
aislamiento/A.ppliances de carga / combinación | FZRN21 - 12 | FZRN21 - 12D. | FZRN21 - 12D. | FZRN21 - 12D. | GN□El 12D. | |
FUtilización | RN2 | S□El LA.J | S□El LA.J | S□El LA.J | RN2 | RN3 |
Transformador de corriente | LZZBJ9 | LZZBJ9 | LZZBJ9 | LZZBJ9 | ||
Transformadores de voltaje | JD.Z | JD.Z | ||||
Esquema número | 19 | 20 | 21 | 22 | 23 | 24 |
D.iagrama de circuito principal | ![]() | |||||
Utilización | Salida de cable entrante | Salida de cable entrante | Salida de cable entrante | Salida de cable entrante | Salida de cable entrante | Salida de cable entrante |
aislamiento/A.ppliances de carga / combinación | FZRN21 - 12D. | FZRN21 - 12D. | FZRN21 - 12D. | FZRN21 - 12D. | FZRN21 - 12D. | FZRN21 - 12D. |
FUtilización | S□El LA.J | S□El LA.J | S□El LA.J | S□El LA.J | ||
Transformador de corriente | LZZBJ9 | LZZBJ9 | LZZBJ9 | LZZBJ9 | ||
Transformadores de voltaje | ||||||
Esquema número | 25 | 26 | 27 | 28 | 29 | 30 |
D.iagrama de circuito principal | ![]() | |||||
Utilización | Contacto | Contacto | Medición y enlace | Medición y enlace | Línea de Contactoo aéreo | Línea de Contactoo aéreo |
aislamiento/A.ppliances de carga / combinación | FZRN21 - 12 | FZRN21 - 12D. | FZRN21 - 12D. | FZRN21 - 12 | ||
FUtilización | S□El LA.J | RN2 | RN2 | S□El LA.J | ||
Transformador de corriente | LZZBJ9 | LZZBJ9 | ||||
Transformadores de voltaje | JD.Z | JD.Z | ||||
8. Forma y tamaño de instalación
1. El tamaño general del gabinete de red de anillo
![]() | ![]() | D.irección del gabinete |
| D.escripción: La altura se puede seleccionar | D.irección de profundidad del gabinete |
2. Tamaño de instalación del gabinete de red de anillo
![]() |
| Nota: El acero del canal debe estar conectado a tierra de manera fiable |
